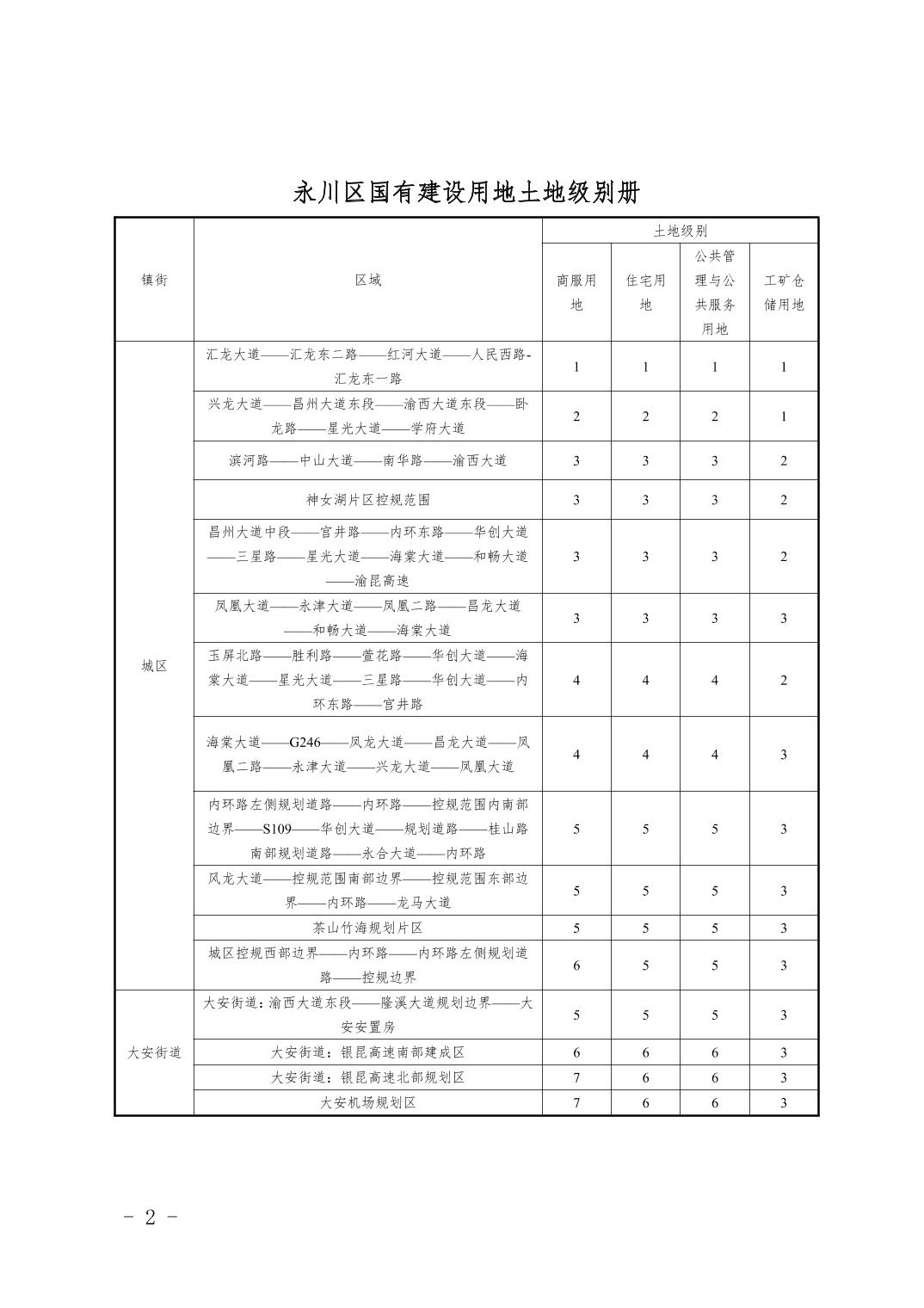
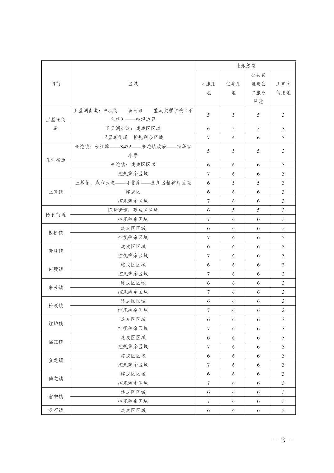
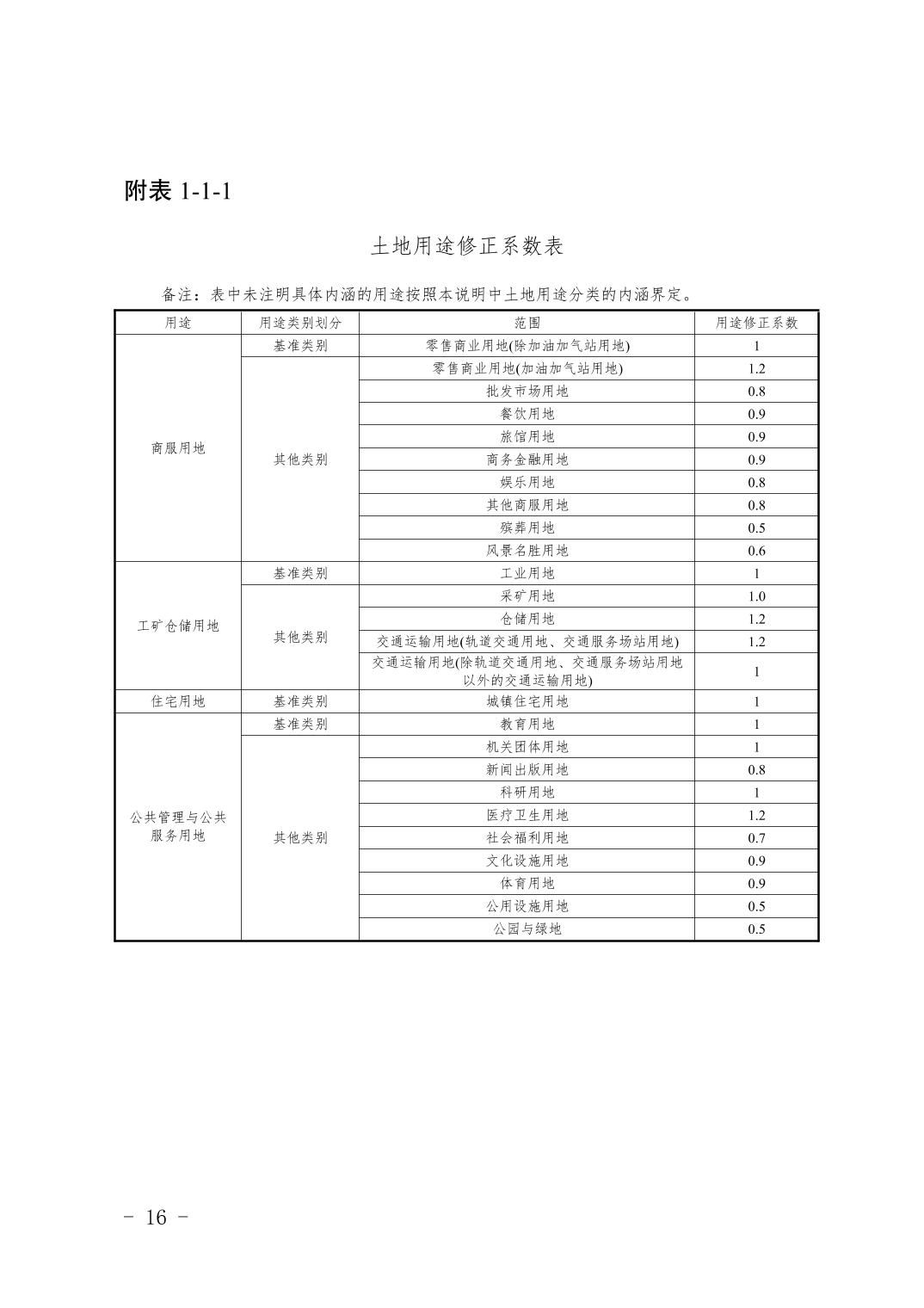
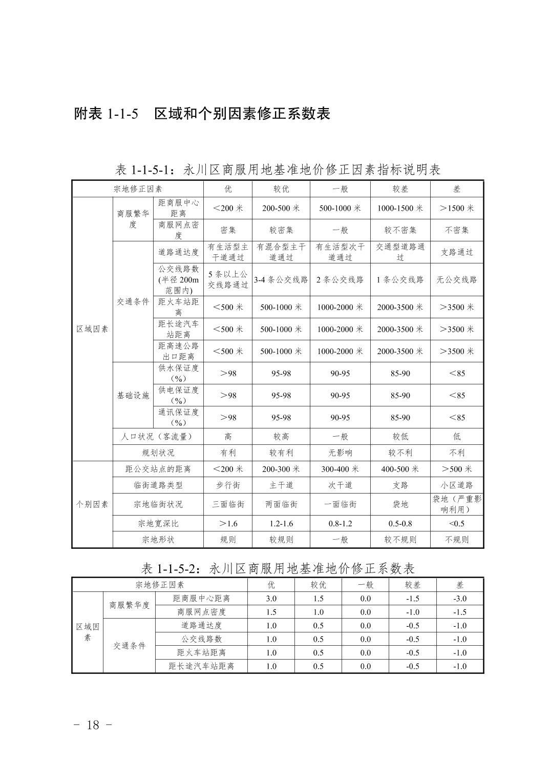
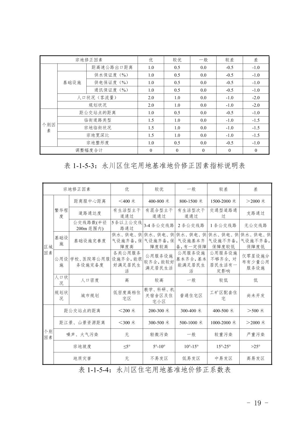
永川区城镇土地级别和基准地价信息公示























扫一扫在手机打开当前页
您当前的位置:首页 >国有土地使用权出让和划拨 >土地供应
国务院部门网站
地方政府网站
市政府部门网站
区(县)政府网站
主办:重庆市规划和自然资源局 承办:重庆市规划和自然资源信息中心
通讯地址:重庆市两江新区龙山街道龙山大道339号 邮编:401147 联系电话 023-63654053
网站标识码 5000000003 ICP备案号:渝ICP备19007350号-1 渝公网安备 50011202501716号
